Характеристики
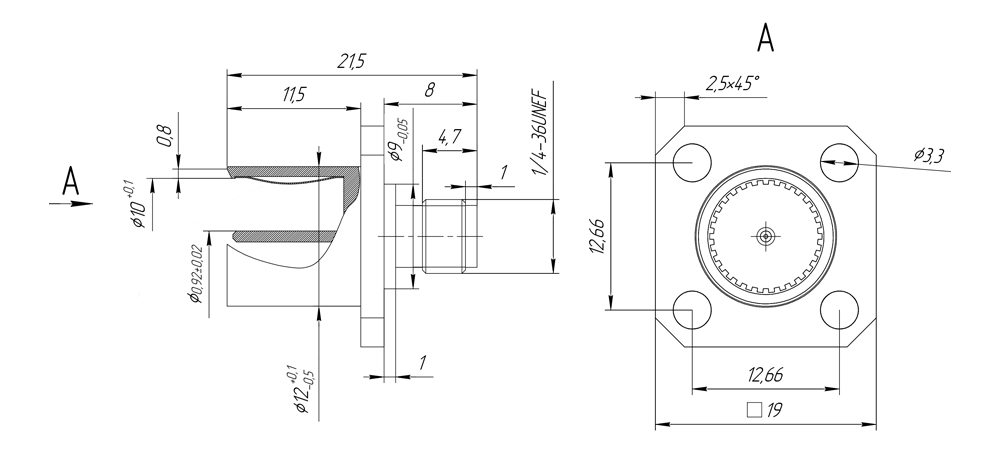
Прямой коаксиальный переходник F(male) - SMA(female), с фланцем 19х19, 4 отверстия диаметром 3,5 мм.
F вилка(male) - SMA розетка(female).
|
Габариты (длина , ширина , высота ), мм
|
18
x
10
x
10
|
Габариты, вес, количество товара в упаковке:
|
Размеры индивидуальной упаковки (длина , ширина , высота ), мм
|
0
x
0
x
0
|
|
Масса в индивидуальной упаковке, грамм
|
20
|
Разъемы, переходники, аттенюаторы- характеристики:
|
Тип разъема
|
SMA
|
|
F
|
||
|
Тип исполнения
|
Прямой
|
|
Волновое сопротивление
|
50 Ом
|